Ne odgovaramo za pogrešne slike ili opise. Stvarni proizvod može se razlikovati od onog iz slike ili opisa.
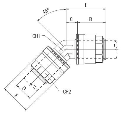
Koljeno 135° fi 50 INFINITY
Besplatna dostava na narudžbe iznad 500,00 € ukoliko narudžba ne prelazi 40 kg težine i/ili 2 m dužine. Ne vrijedi za otoke.
OPĆI PODACI
| Promjer (mm) | 50 |
| Pritisak (tlak-bar) | -0,99-16 |
| Tip ( model) | Koljeno |
| Medij | Komprimirani zrak |
| Materijal | Aluminij |
| Temperatura (°c) | -20°C-80°C |
| Boja | Srebrna |
| L = dužina | 94mm |
Niste pronašli potrebne informacije?
U slučaju da niste pronašli željene informacije, obratite nam se emailom, telefonskim pozivom ili ispunjavanjem obrasca u nastavku.
Pošaljite upit
Odgovaramo u najkraćem mogućem roku.
