Ne odgovaramo za pogrešne slike ili opise. Stvarni proizvod može se razlikovati od onog iz slike ili opisa.
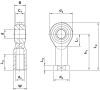
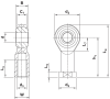
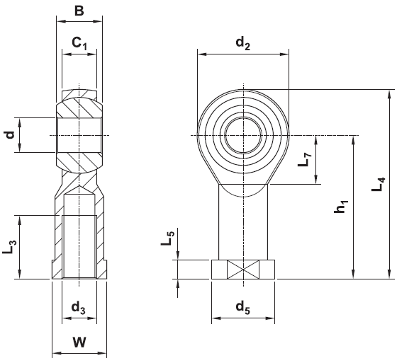
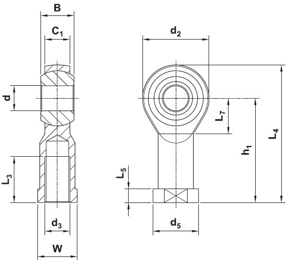
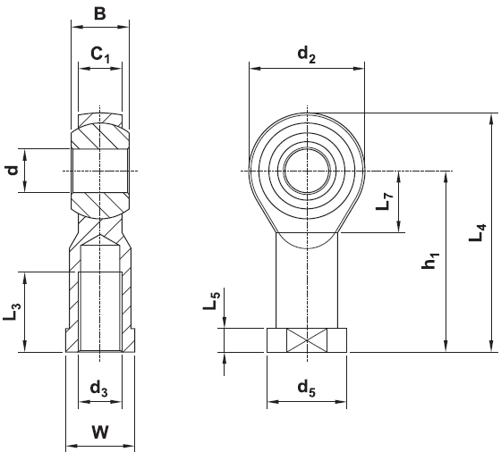
Prednja kugla za cilindar TS25T32
|
Kartica |
Broj rata po kartici |
Minimalni iznos po rati |
|
Diners |
2-24 |
50,00 € |
|
Maestro/VISA PBZ |
2-24 |
50,00 € |
|
Maestro/ VISA / EC/MC ZABA |
2-24 |
50,00 € |
|
VISA Premium |
2-24 |
50,00 € |
|
Mestro Plus ErsteCardClub |
2-24 |
50,00 € |
Besplatna dostava na narudžbe iznad 500,00 € ukoliko narudžba ne prelazi 40 kg težine i/ili 2 m dužine. Ne vrijedi za otoke.
Opći podaci
| Promjer (mm) | d=10, d3=M10x1.25 |
| Prihvati za cilindar | Da |
Niste pronašli potrebne informacije?
U slučaju da niste pronašli željene informacije, obratite nam se emailom, telefonskim pozivom ili ispunjavanjem obrasca u nastavku.
Pošaljite upit
Odgovaramo u najkraćem mogućem roku.

